Dessins techniques pour Santini Capri noir
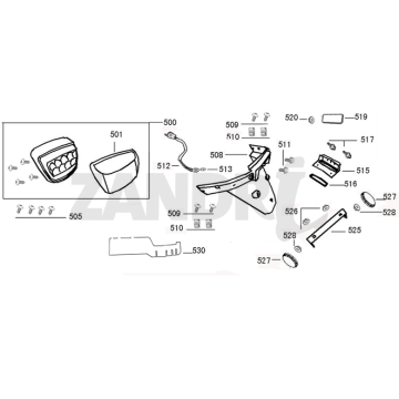
Cliquez ici sur les dessins techniques ou en vue éclatée du scooter noir Santini Capri pour lequel vous recherchez des pièces ou des accessoires. Les dessins techniques du Santini Capri noir vous donnent un aperçu clair des différentes pièces et accessoires correspondants. En recherchant vos pièces, vous aurez toujours des pièces adaptées pour votre Santini Capri noir.
La trottinette Santini Capri
Le Capri Santini est un véritable look Vespa. Le Capri est également adapté pour deux personnes et le Santini offre relativement d'espace pour les jambes. Le compartiment à bagages sous le siège de copain est grand. Le Capri fonctionne à l'essence sans plomb et est économique et silencieux. Le moteur 4 temps GY-6 assure une bonne force de traction. Le Santini Capri est un modèle de scooter classique.
Pièces et couleurs
Le type Capri est disponible en plusieurs couleurs. Des couleurs qui nous sont familières :
Pièces de rechange pour Santini Capri
Ci-dessus, vous pouvez voir les modèles Capri dont nous avons des dessins techniques. Choisissez d'abord votre modèle, puis voyez le dessin dont vous pensez avoir besoin. Si vous recherchez des pièces de cette manière, vous avez toujours la garantie d'avoir des pièces et des accessoires adaptés à votre Santini Capri. Pour l'entretien de votre Santini Capri, il est très important que vous utilisiez des pièces bien ajustées, ce qui évite une usure inutile et peut entraîner de nombreux coûts inutiles.


