Dessins techniques pour Senzo Old Classic noir
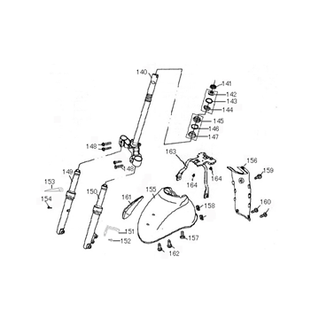
Cliquez ici sur les dessins techniques ou en vue éclatée du scooter noir Senzo Old Classic pour lequel vous recherchez des pièces ou des accessoires. Les dessins techniques du Senzo Old Classic black vous donnent un aperçu clair des différentes pièces et accessoires correspondants. En recherchant vos pièces, vous aurez toujours des pièces adaptées pour votre Senzo Old Classic black.
Pièces de rechange pour Senzo Old Classic
Si vous recherchez des pièces de cette manière, vous avez toujours la garantie de disposer des pièces et accessoires appropriés pour votre Senzo Old Classic. Ci-dessus, vous pouvez voir les modèles Old Classic dont nous avons des dessins techniques. Choisissez d'abord votre modèle, puis voyez le dessin dont vous pensez avoir besoin. Pour l'entretien de votre Senzo Old Classic, il est très important que vous utilisiez des pièces bien ajustées, ce qui évite une usure inutile et peut entraîner de nombreux coûts inutiles.
Pièces et couleurs du Senzo Old Classic
Ce type est disponible en plusieurs couleurs. Des couleurs qui nous sont familières :
Cependant, il n'est pas garanti que lorsque vous commandez une nouvelle pièce de capot de la même couleur, elle sera exactement de la même couleur que les capots de votre scooter. La couleur sera toujours légèrement différente.
La trottinette Senzo Old Classic
La trottinette Senzo Old Classic attire tous les regards ! Un modèle classique équipé d'un moteur GY6 d'origine chinoise. Ce moteur confère au Senzo Old Classic un caractère économique mais aussi silencieux. Le Senzo Old Classic fonctionne à l'essence sans plomb. Les pneus à flancs blancs ont fière allure sur la Trendy Retro ; une trottinette vraiment amusante !


