Dessins techniques pour Senzo Retro GT2 rouge
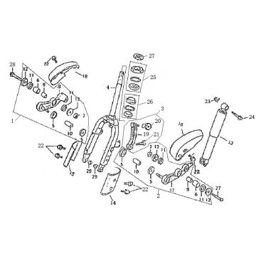
Cliquez ici sur les dessins techniques ou en vue éclatée du scooter Senzo Retro GT2 rouge pour lequel vous recherchez des pièces ou des accessoires. Les dessins techniques de la Senzo Retro GT2 rouge vous donnent un aperçu clair des différentes pièces et accessoires correspondants. En recherchant vos pièces, vous aurez toujours des pièces adaptées pour votre Senzo Retro GT2 rouge.
La trottinette Senzo Retro GT2
C'est une trottinette « amusante » vraiment amusante ! La Senzo Retro GT2 4 temps a un look classique. Le Retro est équipé d'un bloc moteur GY6, donc adapté au ravitaillement en carburant Euro 95. En utilisant des pièces chromées et un large volant, le caractère rétro de cette trottinette est encore plus souligné ! Le Senzo Retro est largement vendu et principalement à des fins récréatives.
Pièces détachées via dessin technique pour Senzo Retro
Ci-dessus, vous pouvez voir les modèles de type Retro dont nous avons des dessins techniques. Choisissez d'abord votre modèle, puis voyez le dessin dont vous pensez avoir besoin. Si vous recherchez des pièces de cette manière, vous avez toujours la garantie d'avoir des pièces et des accessoires adaptés à votre Senzo Retro. Veuillez porter une attention particulière aux parties du capot de cette trottinette, car elles peuvent différer. Pour l'entretien de votre Senzo Retro, il est très important que vous utilisiez des pièces bien ajustées, cela évite une usure inutile et peut vous faire économiser beaucoup de coûts inutiles.
Pièces et couleurs
Ce type est disponible en plusieurs couleurs différentes. Des couleurs qui nous sont familières :
Cependant, il n'est pas garanti que lorsque vous commandez une nouvelle pièce de capot de la même couleur, elle sera exactement de la même couleur que les capots de votre scooter. La couleur peut parfois être légèrement différente.
Pièces de rechange pour le Senzo Grande Retro
Les pièces Senzo Grande Retro sont faciles à trouver grâce à nos dessins techniques. En faisant défiler, puis en zoomant, puis en cliquant sur la photo. En utilisant les pièces et accessoires sur les dessins, vous pouvez être sûr que l'ajustement est toujours à 100% et que l'usure du scooter est la moindre.
trottinettes Senzo
En plus de toutes les pièces du Senzo Grande Retro que vous pouvez trouver sur les dessins techniques ci-dessus, nous avons également diverses pièces pour de nombreux autres types de la marque Senzo que vous pouvez trouver à travers nos dessins techniques. Pensez à  :
Si vous ne trouvez pas votre pièce, n'hésitez pas à contacter notre service client. Nous sommes heureux de vous aider !


