Dessins techniques pour Senzo RivaLux S mat anthracite mat
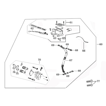
Cliquez ici sur les dessins techniques ou en vue éclatée du scooter Senzo RivaLux S flat mat anthracite pour lequel vous recherchez des pièces ou des accessoires. Les dessins techniques du Senzo RivaLux S flat mat anthracite vous donnent un aperçu clair des différentes pièces et accessoires correspondants. En recherchant vos pièces, vous aurez toujours des pièces adaptées pour votre Senzo RivaLux S anthracite mat mat.
Pièces et accessoires pour le Senzo RivaLux S.
En faisant défiler et/ou en zoomant, vous pouvez facilement accéder à la bonne pièce ou à l'accessoire d'origine AGM. Le Senzo RivaLux S via des dessins techniques. En utilisant des pièces d'origine, le bon ajustement est garanti.
Les couleurs du Senzo RivaLux S
- Bleu Pantone
- bleu foncé
- Rouge
- Anthracite mat plat
- orange
- noir
- Bronze
Il est possible qu'il y ait de très légères différences de couleur dans les bouchons de couleur, par exemple en raison de l'influence de la lumière du soleil ou de l'âge de la peinture.
Spécifications techniques Senzo Riva Lux S.
La Senzo Vespelini S est un sosie de la Vespa S. Équipée d'un moteur à quatre temps de type GY-6. Ce moteur est compatible avec les modèles Euro 95 et 98. Le Senzo RivaLux S est peu bruyant et économique. La trottinette est adaptée pour deux personnes et sa maniabilité est très neutre. Ce Senzo RivaLux S est une alternative abordable, notamment en raison du puissant moteur à 4 temps.
Pièces de rechange pour le Senzo RivaLux S
Les pièces Senzo RivaLux S sont faciles à trouver grâce à nos dessins techniques. En faisant défiler, puis en zoomant, puis en cliquant sur la photo. En utilisant les pièces et accessoires sur les dessins, vous pouvez être sûr que l'ajustement est toujours à 100% et que l'usure du scooter est la moindre.
trottinettes Senzo
En plus de toutes les pièces du Senzo RivaLux S que vous pouvez trouver sur les dessins techniques ci-dessus, nous avons également diverses pièces pour de nombreux autres types de la marque Senzo que vous pouvez trouver à travers nos dessins techniques. Pensez à  :
Si vous ne trouvez pas votre pièce, n'hésitez pas à contacter notre service client. Nous sommes heureux de vous aider !


