SYM Mio 50i E5 White/Black (WH-8018P/BK-001C) onderdelen
De SYM Mio 50i E5 White/Black (WH-8018P/BK-001C) is een elegante uitvoering met een frisse witte basis en zwarte accenten. Deze Euro 5-variant werd geproduceerd tussen 2021 en 2024 en is voorzien van een zuinige 50cc 4-takt injectiemotor (EFI).
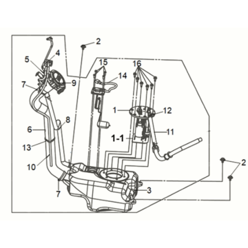
Bij Zandri vind je originele SYM onderdelen voor de Mio 50i White/Black – direct leverbaar.
Onderhoudspakket voor de SYM Mio 50i White/Black
Gebruik het onderhoudspakket voor de SYM Mio 50i E5 voor optimaal onderhoud aan de EFI-motor van jouw scooter.
Accessoires voor de SYM Mio 50i White/Black
- Windschermen
- Beenkleden
- Klapdragers
- Spiegels en sierdelen
Bekijk onze SYM Mio 50i montagevideo’s
Bekijk onderhoudsvideo’s via het Zandri YouTube-kanaal.
Waarom onderdelen bestellen bij Zandri?
- Snelle levering
- Ruime voorraad
- Originele SYM onderdelen
- Deskundig advies
Bestel SYM Mio 50i White/Black onderdelen bij Zandri
Bij Zandri bestel je eenvoudig onderdelen voor jouw SYM Mio 50i E5 White/Black (WH-8018P/BK-001C) – betrouwbaar en snel geleverd.


