Dessins techniques pour SYM Allo blanc mat/gris
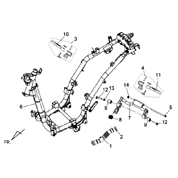
Cliquez ici sur les dessins techniques ou en vue éclatée du scooter SYM Allo blanc mat/gris pour lequel vous recherchez des pièces ou des accessoires. Les dessins techniques du SYM Allo vous donnent un aperçu clair des différentes pièces de fixation et accessoires. En recherchant vos pièces, vous aurez toujours des pièces adaptées à votre SYM Allo blanc mat/gris
Pièces pour trottinette Sym Allo (anciennement Sym Cello)
Tout le monde aux Pays-Bas connaît désormais la marque Sym ! C'est parce que Sym est l'un des leaders dans la vente de scooters aux Pays-Bas. En ce moment, les scooters rétro Sym sont très populaires, chez les jeunes, mais aussi chez les adultes. De plus en plus souvent, par exemple, les gens veulent s'occuper d'un Sym Mio ou d'un Allo le week-end. Ou, par exemple, lorsque vous vivez dans une grande ville, un scooter est souvent plus facile qu'une voiture. Mais y a-t-il quelque chose à remplacer ? Avec les pièces Zandri, ce n'est pas un problème !
Vous pouvez trouver des pièces SYM Allo ou Cello via des dessins
Les moteurs à quatre temps Sym Allo consomment beaucoup moins de carburant que les moteurs à deux temps et l'usure est bien moindre. Ils sont très fiables, contrairement à ses frères scooters chinois. Comme beaucoup d'autres trottinettes, les trottinettes Sym Allo sont utilisées pour les trajets quotidiens, le shopping ou simplement pour un peu de tourisme.
Ci-dessus, vous pouvez voir les différents types de scooters Sym Allo dont nous avons des dessins techniques. Choisissez d'abord votre type, puis votre modèle, puis voyez les dessins dont vous avez besoin. Dans le cas peu probable où vous ne trouveriez toujours pas de pièces, nous serons heureux de vous aider par téléphone.
Pièces neuves ou pièces universelles
Cependant, ce n'est pas une garantie que lorsque vous commandez un nouveau capot de la même couleur, par exemple, il est exactement de la même couleur que les capots de votre scooter. La couleur peut parfois être légèrement différente. Vous pouvez rechercher des pièces universelles à l'aide de la barre de recherche située dans le coin supérieur droit.


