Dessins techniques de SYM Fiddle II EURO 4 bleu
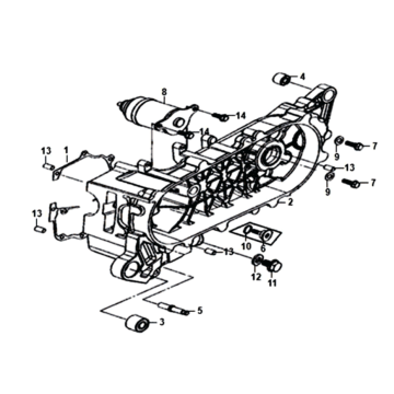
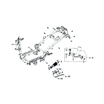
Cliquez ici sur les dessins techniques ou en vue éclatée du scooter bleu SYM Fiddle II pour lequel vous recherchez des pièces ou des accessoires. Les dessins techniques du SYM Fiddle II vous donnent un aperçu clair des différentes pièces de fixation et accessoires. En recherchant vos pièces, vous aurez toujours des pièces adaptées pour votre SYM Fiddle II blue.
Le Sym Fiddle II.
Le Sym Fiddle 2 est le successeur naturel du Sym Fiddle 1, et le moteur 4 temps du Sym Fiddle two a été amélioré sur de nombreux points par rapport à la première version. Il existe des centaines de milliers de Sym Fiddle II, pour une raison : fiables, silencieux, économiques, mais aussi beaux. Le moteur 4 temps est tout simplement un gagnant, mais la position assise et les propriétés de direction du Sym Fiddle II sont également excellentes. Bien entendu, de nombreux accessoires et pièces de rechange sont vendus chez Zandri pour ce scooter rétro/personnalisé populaire. Nous avons à la fois des pièces d'origine et des pièces d'imitation. Pour tous les budgets.
Vous souhaitez également restaurer votre trottinette Sym Fiddle 2 ou vous avez simplement besoin de remplacer certaines pièces sensibles à l'usure ? C'est possible avec les pièces Zandri !
Commandez facilement et facilement des pièces pour le Sym Fiddle II via des dessins techniques.
Le Sym Fiddle est largement utilisé comme trottinette pour les trajets quotidiens. Bien entendu, de nombreux cyclistes récréatifs choisissent le Fiddle, en partie en raison de son moteur à quatre temps à longue course, puissant et silencieux. Ici, vous pouvez choisir parmi différentes couleurs du Sym Fiddle II dans nos dessins techniques. Dans le cas peu probable où vous ne trouvez pas la pièce ; contactez (Mail, Chat, WhatsApp, Téléphone).
Pièces d'origine ou d'imitation pour le Sym Fiddle II.
Les coupes de cheveux sont uniquement originales pour le Sym Fiddle II. Celles-ci sont chères, mais la couleur et la coupe sont excellentes. Il est préférable de rechercher les pièces universelles/imitations via notre structure de menu ou notre barre de recherche. La structure du menu à gauche du site, la barre de recherche en haut.


