Dessins techniques du SYM Orbit 2 rouge
Cliquez ici sur les dessins techniques ou en vue éclatée du scooter rouge SYM Orbit 2 pour lequel vous recherchez des pièces ou des accessoires. Les dessins techniques du SYM Orbit 2 vous donnent un aperçu clair des différentes pièces et accessoires correspondants. En recherchant vos pièces, vous aurez toujours des pièces adaptées pour votre SYM Orbit 2 rouge.
LE SYM ORBIT 2
Les scooters SYM sont produits en grand nombre. SYM est l'un des plus grands fabricants dans le domaine des scooters. Le SYM ORBIT 2 est un énorme succès commercial, et ce n'est pas pour rien. La maniabilité et la position assise sont très bonnes. L'espace de rangement est également grand. Le marché secondaire des pièces de rechange et des accessoires est très complet. Zandri a toujours presque tout en stock. À la fois les pièces d'origine d'origine, ainsi que les pièces d'imitation.
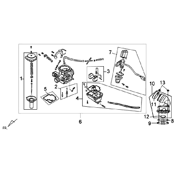
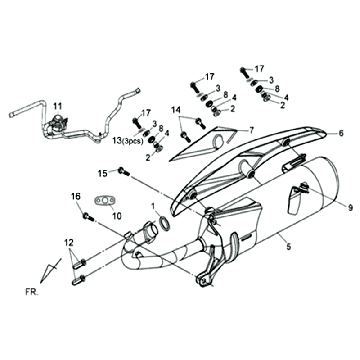
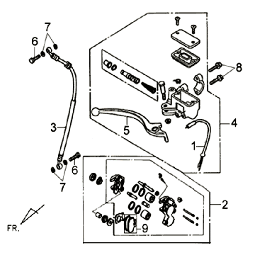
LES PIÈCES SONT FACILES ET RAPIDES À COMMANDER VIA LES DESSINS TECHNIQUES.
Le SYM ORBIT 2 est équipé d'un bloc moteur 4 temps silencieux, économique mais surtout fiable. L'Orbit est largement utilisée comme trottinette pour les trajets quotidiens, mais cette trottinette est également très adaptée aux trajets privés. Sur cette page, vous pouvez choisir parmi les différentes couleurs ORBIT 2.
REMARQUE : EN CAS DE DOUTE ENTRE L'ORBITE 1 OU 2 ;
Nous sommes heureux de vous aider par chat, courrier, WhatsApp et, bien sûr, également par téléphone.
NOUVELLES PIÈCES D'ORIGINE OU IMI POUR LE SYM ORBIT 2
Lespièces de tôlerie pour le SYM ORBIT SONT PRESQUE TOUJOURS D'ORIGINE USINE. Ces pièces sont plus chères, mais l'ajustement et la couleur sont toujours bons. Pour les pièces d'usure et les accessoires, il existe différentes qualités et gammes de prix.
La plupart des pièces d'imitation/universelles pour l'Orbit peuvent être facilement trouvées via notre structure de menu sur le côté gauche du site. La barre de recherche en haut peut également être utilisée.


