Dessins techniques pour Turbho Cx-50 4 temps
Cliquez ici sur les dessins techniques ou en vue éclatée du scooter Turbho Cx-50 blanc 4 temps pour lequel vous recherchez des pièces ou des accessoires. Les dessins techniques du Turbho Cx-50 4 temps blanc vous donnent un aperçu clair des différentes pièces et accessoires correspondants. En recherchant vos pièces, vous aurez toujours des pièces adaptées à votre Turbho Cx-50 4 temps.
Pièces pour votre Turbo CX-50
Le Turbho CX-50 est un scooter urbain compact. Ce CX-50 est équipé d'un moteur GY-6 à 4 temps. Il s'agit d'un bloc relativement économique monté par Turbho. Malgré les petites roues (10 pouces), la position assise est certainement raisonnable. Le Turbho CX-50 est un scooter à quatre temps « beaucoup » pour peu d'argent.
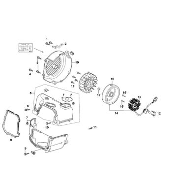
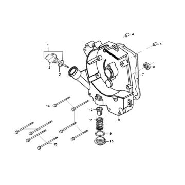
Recherche de pièces via des dessins
Les moteurs 4 temps Turbho CX-50 consomment beaucoup moins de carburant que les moteurs à deux temps et l'usure est bien moindre. Lorsque vous avez besoin de pièces pour l'entretien ou les réglages de votre scooter CX50 Turbho, Zandri est au bon endroit !
Ci-dessus, vous pouvez voir les différents types de scooters Turbho CX 50 dont nous avons des dessins techniques. Choisissez d'abord votre type, puis votre modèle, puis voyez les dessins dont vous avez besoin. Dans le cas peu probable où vous ne trouveriez toujours pas de pièces, nous serons heureux de vous aider par téléphone.


