Dessins techniques pour Turbho RG50 blanc noir
Cliquez ici sur les dessins techniques ou en vue éclatée du scooter Turbho RG50 blanc noir pour lequel vous recherchez des pièces ou des accessoires. Les dessins techniques du Turbho RG50 blanc noir vous donnent un aperçu clair des différentes pièces et accessoires correspondants. En recherchant vos pièces, vous aurez toujours des pièces adaptées pour votre Turbho RG50 blanc noir.
La trottinette Thurbo RG50
Le Thurbo RG50 4 temps a un look classique. Le Retro est équipé d'un bloc moteur GY6, donc adapté au ravitaillement en carburant Euro 95. En utilisant des pièces chromées et un large volant, le caractère rétro de cette trottinette est encore plus souligné ! Le Thurbo RG50 est largement vendu et principalement à des fins récréatives. C'est une trottinette « amusante » vraiment amusante !
Pièces et couleurs
Ce type est disponible en plusieurs couleurs différentes. Des couleurs qui nous sont familières :
• noir
• blanc
• Bleu clair
• Smokey
• Anthracite
Cependant, il n'est pas garanti que lorsque vous commandez une nouvelle pièce de capot de la même couleur, elle sera exactement de la même couleur que les capots de votre scooter. La couleur peut parfois être légèrement différente.
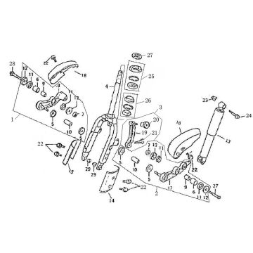
Pièces via dessin technique pour Thurbo RG50.
Pour l'entretien de votre Thurbo RG50, il est très important que vous utilisiez des pièces bien ajustées, cela évite une usure inutile et peut vous faire économiser beaucoup de coûts inutiles. Ci-dessus, vous pouvez voir les modèles de type Retro dont nous avons des dessins techniques. Choisissez d'abord votre modèle, puis voyez le dessin dont vous pensez avoir besoin. Si vous recherchez des pièces de cette manière, vous avez toujours la garantie de disposer de pièces et d'accessoires adaptés à votre Thurbo RG50.


