Dessins techniques pour Vespa GTS 300 HPE 4 temps 4V IE ABS E4 2019 (EMEA)
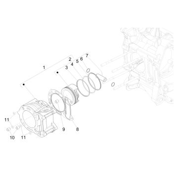
Cliquez ici pour obtenir les dessins techniques ou la vue éclatée de la Vespa GTS 300 HPE 4-temps 4V IE ABS E4 2019 (EMEA) pour laquelle vous recherchez des pièces détachées ou des accessoires. Les dessins techniques de la Vespa GTS 300 HPE 4-temps 4V IE ABS E4 2019 (EMEA) vous donneront un aperçu clair des différentes pièces et accessoires appropriés. En effectuant votre recherche de cette façon, vous aurez toujours les pièces correspondantes pour votre Vespa GTS 300 HPE 4-temps 4V IE ABS E4 2019 (EMEA).


