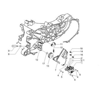
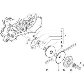
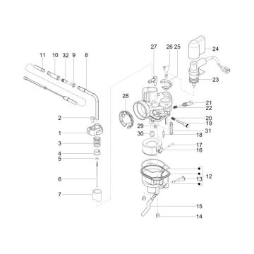
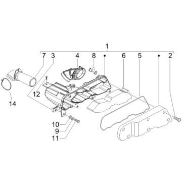
Dessins techniques Vespa Lx 2 temps noir mat
Cliquez ici sur les dessins techniques ou en vue éclatée du scooter Vespa Lx 2 temps noir mat pour lequel vous recherchez des pièces ou des accessoires. Les dessins techniques de la Vespa Lx 2 temps vous donnent un aperçu clair des différentes pièces de fixation et accessoires. En recherchant vos pièces, vous aurez toujours des pièces adaptées à votre Vespa Lx 2 temps noir mat.


