Dessins techniques Vespa Lx 4 temps 2 soupapes noir
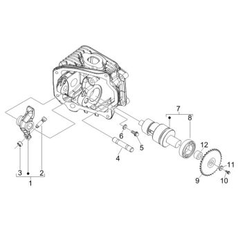
Cliquez ici sur les dessins techniques ou vue éclatée du scooter Vespa Lx 4 temps 2 soupapes noir pour lequel vous recherchez des pièces ou des accessoires. Les dessins techniques de la Vespa Lx 4 temps 2 soupapes vous donnent un aperçu clair des différentes pièces et accessoires appropriés. En recherchant vos pièces de cette manière, vous aurez toujours des pièces adaptées à votre Vespa Lx 4 temps 2 soupapes.


