Pièces Vespa Sprint 125 4T 3V IU ABS
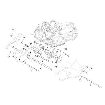
Cliquez ici sur les dessins techniques ou en vue éclatée de la Vespa Sprint 125 4T 3V IE ABS 2014-2015. Les dessins techniques de la Vespa Sprint 125 4T 3V IE ABS 2014-2015 vous donnent un aperçu clair des différentes pièces et accessoires adaptés. En recherchant vos pièces comme celle-ci, vous aurez toujours des pièces adaptées pour votre Vespa Sprint 125 4T 3V IU ABS 2014-2015
La Vespa Sprint
La Vespa Sprint est un digne successeur de la Vespa S. Bien que la Vespa S soit une trottinette très agréable, la Sprint se dirige beaucoup mieux. La Vespa Sprint est équipée d'un double piston de frein sur le frein à disque avant. La Sprint possède également un frein à tambour arrière beaucoup plus grand que la Vespa S. La plus grande amélioration est la fourche avant complètement améliorée ; qui « tombe » beaucoup moins et est beaucoup plus stable. La Vespa Sprint possède également des roues de 12 pouces avec des pneus larges ; la Vespa S a d'autre part, des jantes de 10 et 11 pouces. Tout comme le S, le Sprint possède également un revêtement intérieur peint. Le phare carré caractéristique a également été conservé ! Lors de l'achat, faites très attention au codage d'usine sur vos papiers d'enregistrement.
Recherche de pièces pour Vespa Sprint via des dessins
Bien entendu, vous souhaitez entretenir votre scooter Vespa Sprint de manière optimale et vous aurez régulièrement besoin de pièces pour cela. Bien entendu, Zandri dispose de toutes les pièces nécessaires pour la Vespa Sprint afin que vous puissiez entretenir la trottinette de manière optimale.
Ci-dessus, vous voyez les différents types de scooters Vespa Sprint dont nous avons des dessins techniques. Choisissez d'abord votre type, puis votre modèle, puis affichez les dessins dont vous avez besoin. Dans le cas peu probable où vous ne parviendriez toujours pas à trouver des pièces, nous serons heureux de vous aider via le chat situé en bas à droite de l'écran.
Pièces et accessoires
Un grand nombre de pièces et d'accessoires sont disponibles pour tous les types de Vespa. À partir de cette page, vous pouvez accéder à la page où toutes les pièces sont placées de manière pratique, classées par type de scooter. Pour toutes les pièces universelles, vous pouvez effectuer une recherche dans les catégories ou utiliser la barre de recherche dans le coin supérieur droit.


