Pièces et accessoires pour Yamaha Aerox
Cliquez ici sur la version correcte du Yamaha Aerox pour laquelle vous recherchez des pièces ou des accessoires. Les dessins techniques du Yamaha Aerox vous donnent un aperçu clair des différentes pièces de montage et accessoires. Bien entendu, les pièces d'origine Yamaha s'adaptent le mieux.
Pièces Yamaha Aerox
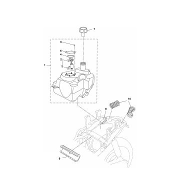
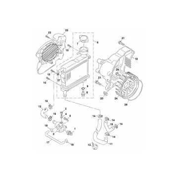
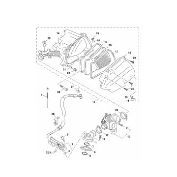
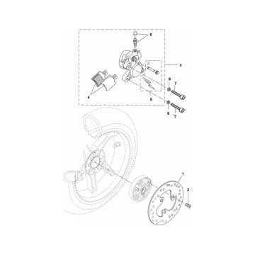
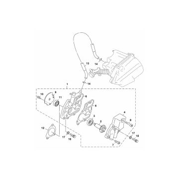
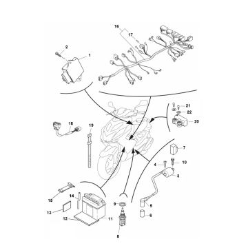
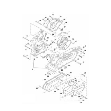
Yamaha Aerox est le type de Yamaha le plus vendu. Ce scooter sportif et un très bon scooter de direction ! Un Yamaha Aerox n'est pas bon marché et est livré avec un moteur 2 temps et un moteur 4 temps. Dans les catégories ci-dessus, toutes les pièces sont claires sur les dessins techniques. Vous trouverez ici une vaste gamme de répliques de pièces en plus de toutes les pièces d'origine Yamaha.
Comment trouver des pièces pour votre scooter Yamaha Aerox ?
Nous pouvons fournir toutes les pièces pour votre scooter Yamaha Aerox. Choisissez d'abord votre modèle, puis voyez le dessin dont vous pensez avoir besoin. Vous pouvez commander des pièces à partir du dessin. Si vous recherchez vos pièces et accessoires à travers ces dessins techniques, vous avez toujours la garantie d'avoir des pièces adaptées à votre scooter Aerox !
Pièces et accessoires
Un
grand nombre de pièces et d'accessoires sont disponibles pour tous les types de scooter Yamaha. À partir de cette page, vous pouvez accéder à la page où toutes les pièces sont clairement placées, classées par type de scooter. Nous sommes heureux de vous aider à trouver les bonnes pièces, n'hésitez pas à nous contacter. Pour toutes les pièces universelles, vous pouvez effectuer une recherche dans les catégories ou utiliser la barre de recherche dans le coin supérieur droit.


