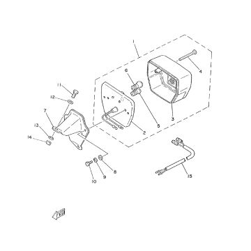
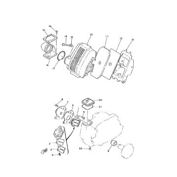
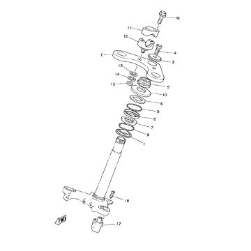
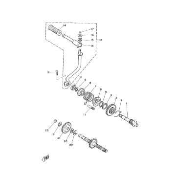
Dessins techniques Yamaha FS1
Les dessins techniques ou vue éclatée du scooter Yamaha FS1 pour lequel vous recherchez des pièces ou des accessoires. Les dessins techniques de la Yamaha FS1 vous donnent un aperçu clair des différentes pièces de montage et accessoires. En recherchant vos pièces, vous aurez toujours les bonnes pièces pour votre Yamaha FS1.


