Besoin de pièces pour votre scooter Znen ZN50QT-11 ?
La trottinette Znen est une marque de trottinette quelque peu méconnue aux Pays-Bas. Le type Znen ZN50QT-11 est un scooter urbain compact équipé d'un bloc moteur 4 temps GY6 d'origine chinoise. Cette trottinette Znen est une trottinette assez économique et silencieuse. Le Znen ZN50QT-11 est un scooter « beaucoup » pour peu d'argent.
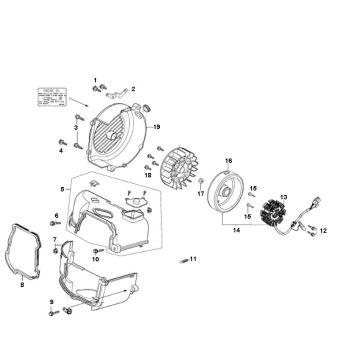
Vous recherchez des pièces pour votre modèle de scooter Znen ?
Nous pouvons fournir pratiquement toutes les pièces pour votre scooter Znen ZN50QT 11. Choisissez d'abord votre type, puis votre modèle, puis affichez le dessin dont vous avez besoin pour les pièces en question. Vous pouvez commander les pièces nécessaires à partir du dessin. Si vous recherchez vos pièces et accessoires à travers ces dessins techniques, vous êtes toujours assuré de trouver les pièces adaptées à votre modèle Znen ZN50QT11 !
Pièces de rechange et accessoires Znen
Un
grand nombre de pièces et d'accessoires sont disponibles pour tous les types de trottinettes Znen. À partir de cette page, vous pouvez accéder à la page où toutes les pièces sont clairement placées, classées par type de scooter. Pour toutes les pièces universelles, vous pouvez effectuer une recherche dans les catégories ou utiliser la barre de recherche dans le coin supérieur droit.


