Pièces et accessoires pour Znen Revival/ZN50QT-D
Cliquez ici sur la version correcte de la trottinette Znen Revival /ZN50QT-D pour laquelle vous recherchez des pièces ou des accessoires. Les dessins techniques du Znen Revival/ZN50QT-D vous donnent un aperçu clair des différentes pièces et accessoires correspondants. Bien entendu, les pièces d'origine Znen Revival /ZN50QT-D conviennent le mieux.
Pièces et accessoires pour Znen Revival/ZN50QT-D
Cliquez ici sur la version correcte du Znen Revival /ZN50QT-D pour laquelle vous recherchez des pièces ou des accessoires. Les dessins techniques du Znen Revival/ZN50QT-D vous donnent un aperçu clair des différentes pièces et accessoires correspondants. Bien entendu, les pièces d'origine Znen Revival /ZN50QT-D conviennent le mieux.
La trottinette Znen Revival.
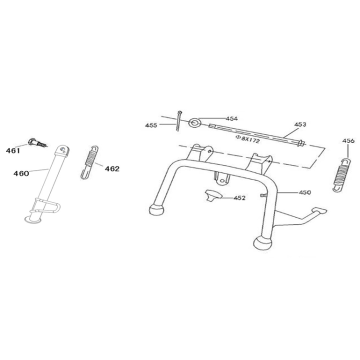
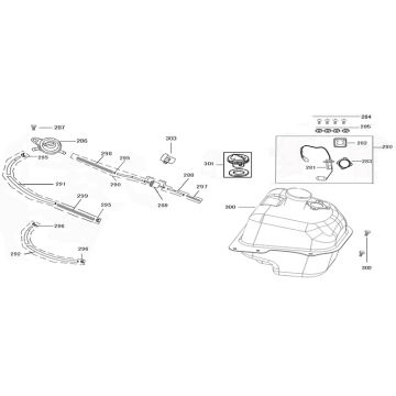
Au moyen de dessins techniques des pièces Znen d'origine. Ces dessins pour votre Znen Revival sont très conviviaux, faites défiler, zoomez et visualisez les photos de la pièce en question. En utilisant des pièces Znen d'origine, l'ajustement est également garanti, l'usure est également minime.La trottinette.
Le Znen Revival possède un bloc moteur à quatre temps GY6, silencieux et économique. Ce scooter est adapté pour l'essence avec un indice d'octane de 95, le Revival est un scooter rétro compact, adapté pour une personne ou deux personnes relativement petites. Étant donné que le volant est raisonnablement droit, la position assise peut être qualifiée de raisonnable.Le Znen Revival est disponible dans les couleurs suivantes :
- Rouge/blanc
- Crème/Terra
- Noir/rouge
- blanc
- Crème/gris
- Crème/vert


