Pièces et accessoires pour Znen snail/ZN50QT-A
Cliquez ici sur la version correcte de la trottinette Znen Snail /ZN50QT-A pour laquelle vous recherchez des pièces ou des accessoires. Les dessins techniques du Znen Snail /ZN50QT-A vous donnent un aperçu clair des différentes pièces et accessoires correspondants. Bien entendu, les pièces d'origine Znen Snail /ZN50QT-A conviennent le mieux.
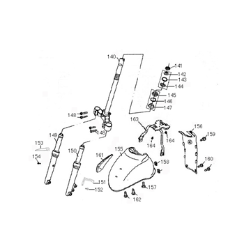
Pièces de rechange pour Znen snail/ZN50QT-A
Pour l'entretien de votre escargot Znen, il est très important que vous utilisiez des pièces bien ajustées, ce qui évite une usure inutile et peut entraîner de nombreux coûts inutiles. Ci-dessus, vous pouvez voir les modèles de type Escargot dont nous avons des dessins techniques. Choisissez d'abord votre modèle, puis voyez le dessin dont vous pensez avoir besoin. Si vous recherchez des pièces de cette manière, vous avez toujours la garantie d'avoir des pièces et des accessoires adaptés à votre escargot Znen.
La trottinette Zen Snail
La trottinette 4 temps Znen Snail attire tous les regards ! Un modèle classique équipé d'un moteur GY6 d'origine chinoise. Ce moteur confère au Znen un caractère économique mais aussi silencieux. L'escargot fonctionne à l'essence sans plomb. Les pneus à flancs blancs sont parfaits pour l'escargot ; une trottinette vraiment amusante !
Pièces et couleurs
Ce type est disponible en plusieurs couleurs. Des couleurs qui nous sont familières :


