Pièces et accessoires pour Znen VPA 125cc
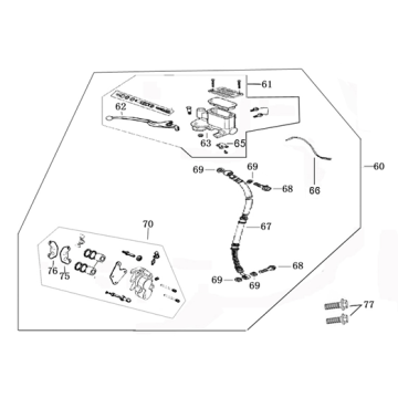
Cliquez ici sur la version correcte du scooter Znen VPA 125cc pour lequel vous recherchez des pièces ou des accessoires. Les dessins techniques du Znen VPA 125cc vous donnent un aperçu clair des différentes pièces et accessoires correspondants. Bien entendu, les pièces d'origine Znen VPA 125cc conviennent le mieux.
La trottinette Znen VPA 125CC.
Pièces et accessoires pour le Znen VPA 125CC via des dessins techniques. Les bonnes pièces et accessoires sont très faciles à trouver en faisant défiler les dessins. Vous pouvez également gonfler davantage les dessins en bourdonnant. La plupart des pièces ont également été prises en photo ! En choisissant des pièces Znen d'origine, vous êtes toujours assuré d'un ajustement et d'une qualité adaptés. Cela réduit également l'usure de votre trottinette Znen.À l'intérieur du scooter.
Le Znen VPA 125CC, est un scooter de sport de Znen. Avec ses magnifiques phares et son placage idem, un régal pour les yeux. Le moteur à quatre temps GY-6 puissant, silencieux et fluide assure une transmission agréable. Le moteur est fiable et convient à la fois aux Euro 95 et 98.Les couleurs disponibles du Znen VPA 125CC sont :
- blanc
- noir
- Verts


