Zundapp GTS50 onderdelen
De Zundapp GTS50 is een van de bekendste en meest geliefde sportmodellen van Zundapp. Met zijn krachtige motor, sportieve design en degelijke Duitse techniek werd de GTS50 in de jaren ’70 en ’80 een icoon op de weg. Vandaag de dag is dit model nog altijd populair bij liefhebbers en verzamelaars die hem restaureren of in topconditie willen houden.
Bij Zandri vind je een groot aanbod aan vervangende onderdelen voor de Zundapp GTS50. Originele onderdelen zijn vaak niet meer leverbaar, maar met ons ruime assortiment vervangende onderdelen zorg je ervoor dat jouw brommer altijd betrouwbaar blijft rijden.
Waarom kiezen voor de Zundapp GTS50?
De Zundapp GTS50 combineert sportieve prestaties met de degelijkheid waar Zundapp om bekendstaat. Dankzij het robuuste motorblok, de betrouwbare techniek en het iconische design is dit model nog steeds erg geliefd. Met kwalitatieve vervangende onderdelen van Zandri houd je jouw GTS50 eenvoudig rijklaar.
Veel bestelde Zundapp GTS50 onderdelen bij Zandri
Sommige onderdelen van de Zundapp GTS50 worden vaak vervangen tijdens onderhoud of restauratie. Bij Zandri hebben we deze onderdelen altijd ruim op voorraad. Denk hierbij aan:
- Banden
- Uitlaten
- Cilinders
- Luchtfilters
- Ketting en tandwielen
- Ontstekingen
- Lagers en keerringen
Deze onderdelen bestel je eenvoudig en snel, zodat je Zundapp GTS50 altijd betrouwbaar en rijklaar blijft.
Betrouwbare vervangende Zundapp onderdelen
Bij Zandri bestel je uitsluitend vervangende Zundapp onderdelen, zorgvuldig geselecteerd op kwaliteit en pasvorm. Zo weet je zeker dat jouw GTS50 goed blijft rijden, ook al zijn originele onderdelen vaak niet meer beschikbaar.
Daarnaast biedt Zandri de mogelijkheid om onderdelen te zoeken op OEM-nummers (ter referentie). Zo bestel je altijd het juiste vervangende onderdeel voor jouw Zundapp GTS50.
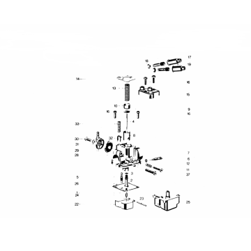
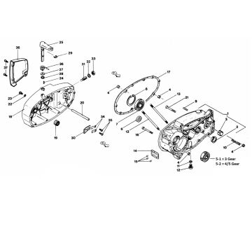
Vind eenvoudig het juiste onderdeel via technische tekeningen
Met behulp van de duidelijke technische tekeningen zie je precies waar elk onderdeel hoort. Je hoeft dus nooit te gokken en bestelt altijd het juiste onderdeel via onze webshop.
Zo werkt het:
- Kies jouw Zundapp GTS50 model
- Bekijk de technische tekening
- Klik op het onderdeel dat je zoekt
- Bestel direct online
Waarom onderdelen bestellen bij Zandri?
- Snelle levering – levertijd 1-3 werkdagen
- Veel op voorraad – vervangende Zundapp onderdelen
- Duidelijke tekeningen – je bestelt altijd het juiste onderdeel
- Goede klantenservice – wij denken met je mee
Bestel Zundapp GTS50 onderdelen bij Zandri
Bij Zandri vind je alles om jouw Zundapp GTS50 in topconditie te houden. Wij leveren een ruim aanbod vervangende onderdelen, zodat je zorgeloos kunt blijven rijden. Profiteer van ons brede assortiment, snelle levering en uitstekende service.


