Zundapp KS 50 luchtgekoeld onderdelen
De Zundapp KS 50 luchtgekoeld is een van de bekendste en meest geliefde uitvoeringen binnen de Zundapp-serie. Met zijn krachtige luchtgekoelde motorblok, klassieke styling en degelijke Duitse techniek werd dit model in de jaren ’70 en ’80 enorm populair. Vandaag de dag is de KS 50 luchtgekoeld nog altijd geliefd bij verzamelaars en liefhebbers die genieten van de nostalgie én de prestaties.
Bij Zandri vind je een groot aanbod aan vervangende onderdelen voor de Zundapp KS 50 luchtgekoeld. Originele onderdelen zijn vaak niet meer leverbaar, maar met ons ruime assortiment kwalitatieve vervangende onderdelen houd je jouw KS 50 eenvoudig in topconditie.
Waarom kiezen voor de Zundapp KS 50 luchtgekoeld?
De Zundapp KS 50 luchtgekoeld staat bekend om zijn eenvoud, betrouwbaarheid en sportieve prestaties. Het luchtgekoelde motorblok maakte dit model gebruiksvriendelijk en onderhoudsvriendelijk, zonder in te leveren op rijplezier. Met kwalitatieve vervangende onderdelen van Zandri houd je jouw KS 50 luchtgekoeld eenvoudig rijklaar.
Veel bestelde Zundapp KS 50 luchtgekoeld onderdelen bij Zandri
Sommige onderdelen van de Zundapp KS 50 luchtgekoeld worden vaak vervangen tijdens onderhoud of restauratie. Bij Zandri hebben we deze onderdelen altijd ruim op voorraad. Denk hierbij aan:
- Banden
- Uitlaten
- Cilinders
- Luchtfilters
- Ketting en tandwielen
- Ontstekingen
- Lagers en keerringen
Deze onderdelen bestel je eenvoudig en snel, zodat je Zundapp KS 50 luchtgekoeld altijd betrouwbaar en rijklaar blijft.
Betrouwbare vervangende Zundapp onderdelen
Bij Zandri bestel je uitsluitend vervangende Zundapp onderdelen, zorgvuldig geselecteerd op kwaliteit en pasvorm. Zo weet je zeker dat jouw KS 50 luchtgekoeld uitstekend blijft rijden, ook al zijn originele onderdelen vaak niet meer beschikbaar.
Daarnaast biedt Zandri de mogelijkheid om onderdelen te zoeken op OEM-nummers (ter referentie). Zo bestel je altijd het juiste vervangende onderdeel voor jouw Zundapp KS 50.
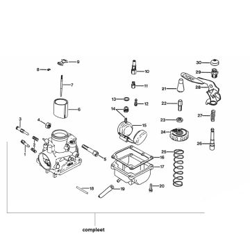
Vind eenvoudig het juiste onderdeel via technische tekeningen
Met behulp van de duidelijke technische tekeningen zie je precies waar elk onderdeel hoort. Je hoeft dus nooit te gokken en bestelt altijd het juiste onderdeel via onze webshop.
Zo werkt het:
- Kies jouw Zundapp KS 50 luchtgekoeld model
- Bekijk de technische tekening
- Klik op het onderdeel dat je zoekt
- Bestel direct online
Waarom onderdelen bestellen bij Zandri?
- Snelle levering – levertijd 1-3 werkdagen
- Veel op voorraad – vervangende Zundapp onderdelen
- Duidelijke tekeningen – je bestelt altijd het juiste onderdeel
- Goede klantenservice – wij denken met je mee
Bestel Zundapp KS 50 luchtgekoeld onderdelen bij Zandri
Bij Zandri vind je alles om jouw Zundapp KS 50 luchtgekoeld in topconditie te houden. Wij leveren een ruim aanbod vervangende onderdelen, zodat je zorgeloos kunt blijven rijden. Profiteer van ons brede assortiment, snelle levering en uitstekende service.


