USP Icon
Post-paiement
USP Icon
Les clients évaluent Zandri à 9
USP Icon
Plus de 100 000 pièces dans l'assortiment

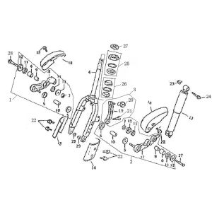
Batterie AGM Retro après 2013 bleu clair

Batterie AGM Retro après 2013 bleu clair
loader
Chargement...

Pièces détachées AGM Retro na 2013 bleu clair