USP Icon
Post-paiement
USP Icon
Les clients évaluent Zandri à 9
USP Icon
Plus de 100 000 pièces dans l'assortiment

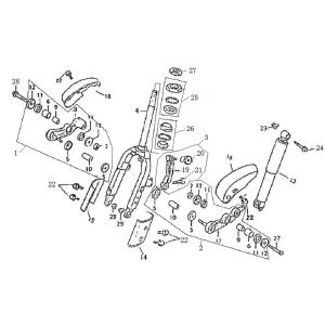
Batterie China Retro rose

Batterie China Retro rose
loader
Chargement...

Pièces détachées China Grande Retro rose