USP Icon
Post-paiement
USP Icon
Les clients évaluent Zandri à 9
USP Icon
Plus de 100 000 pièces dans l'assortiment

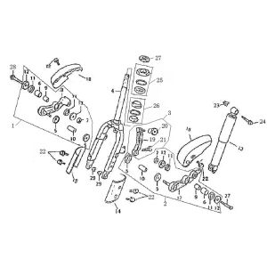
Batterie Eagle-Wing Torino anthracite

Batterie Eagle-Wing Torino anthracite
loader
Chargement...

Pièces détachées Eagle-Wing Torino anthracite