USP Icon
Post-paiement
USP Icon
Les clients évaluent Zandri à 9
USP Icon
Plus de 100 000 pièces dans l'assortiment

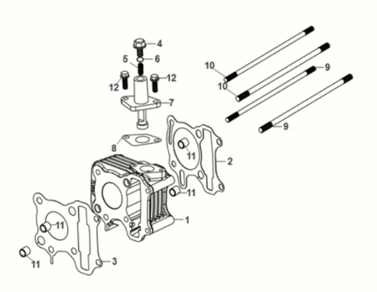
Cylindre Sym Mio 50I E5

Cylindre Sym Mio 50I E5
loader
Chargement...