USP Icon
Post-paiement
USP Icon
Les clients évaluent Zandri à 9
USP Icon
Plus de 100 000 pièces dans l'assortiment

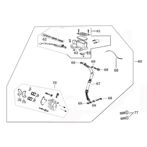
Helmbak-Kapdelen Edwards Maple V50-2 noir mat

Helmbak-Kapdelen Edwards Maple V50-2 noir mat
loader
Chargement...