USP Icon
Post-paiement
USP Icon
Les clients évaluent Zandri à 9
USP Icon
Plus de 100 000 pièces dans l'assortiment

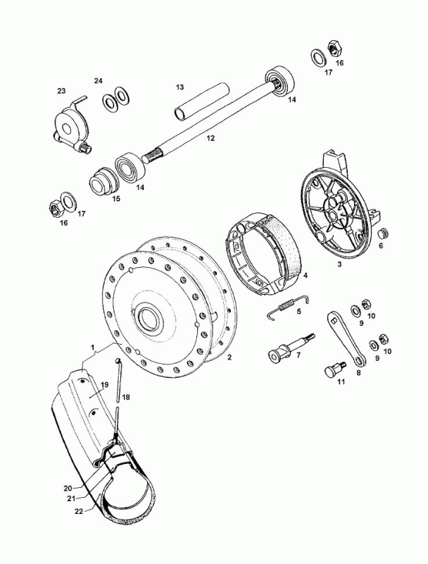
Voorwiel Tomos CLASSIC XL (L1)

Voorwiel Tomos CLASSIC XL (L1)
loader
Chargement...