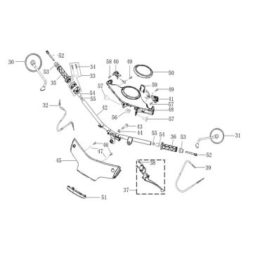
Dessins techniques pour BTC Ceo gris mat
Cliquez ici sur les dessins techniques ou en vue éclatée du BTC Ceo gris mat pour lequel vous recherchez des pièces ou des accessoires. Les dessins techniques du BTC Ceo gris mat vous donnent un aperçu clair des différentes pièces de fixation et accessoires. En recherchant vos pièces, vous aurez toujours des pièces adaptées pour votre BTC CEO gris mat.


