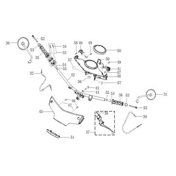
Dessins techniques pour BTC Ceo black
Cliquez ici sur les dessins techniques ou en vue éclatée du BTC Ceo noir pour lequel vous recherchez des pièces ou des accessoires. Les dessins techniques du BTC Ceo black vous donnent un aperçu clair des différentes pièces de fixation et accessoires. En recherchant vos pièces, vous aurez toujours des pièces appropriées pour votre BTC Ceo black.


