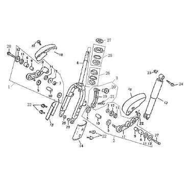
Dessins techniques de BTC Grande Retro bleu blanc
Cliquez ici sur les dessins techniques ou en vue éclatée du BTC Grande Retro bleu blanc pour lequel vous recherchez des pièces ou des accessoires. Les dessins techniques du BTC Grande Retro bleu blanc vous donnent un aperçu clair des différentes pièces de fixation et accessoires. En recherchant vos pièces, vous aurez toujours des pièces adaptées pour votre BTC Grande Retro bleu blanc.


