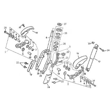
Dessins techniques de la crème à café BTC Grande Retro
Cliquez ici sur les dessins techniques ou en vue éclatée de la crème à café BTC Grande Retro pour laquelle vous recherchez des pièces ou des accessoires. Les dessins techniques de la crème à café BTC Grande Retro vous donnent un aperçu clair des différentes pièces de fixation et accessoires. En recherchant vos pièces, vous aurez toujours des pièces adaptées à votre crème à café BTC Grande Retro.


