Dessins techniques pour Fosti Touring bleu clair métallisé
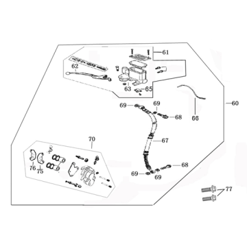
Cliquez ici sur les dessins techniques ou en vue éclatée du scooter métallique bleu clair Fosti Touring pour lequel vous recherchez des pièces ou des accessoires. Les dessins techniques du Fosti Touring bleu clair métallisé vous donnent un aperçu clair des différentes pièces et accessoires correspondants. En recherchant vos pièces, vous aurez toujours des pièces adaptées pour votre Fosti Touring bleu clair métallisé.


