Dessins techniques pour Fosti Touring silver
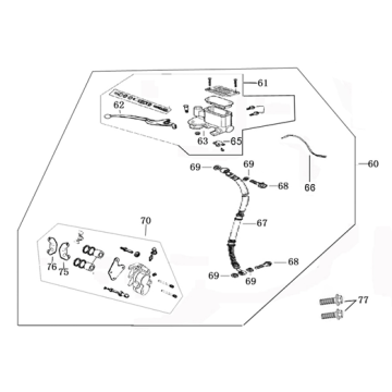
Cliquez ici sur les dessins techniques ou en vue éclatée de la trottinette Fosti Touring silver pour laquelle vous recherchez des pièces ou des accessoires. Les dessins techniques du Fosti Touring silver vous donnent un aperçu clair des différentes pièces et accessoires correspondants. En recherchant vos pièces, vous aurez toujours des pièces adaptées à votre Fosti Touring silver.


