Dessins techniques Honda MT50
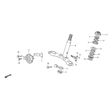
Cliquez ici sur les dessins techniques ou la vue éclatée du scooter Honda MT50 pour lequel vous recherchez des pièces ou des accessoires. Les dessins techniques de la Honda MT50 vous donnent un aperçu clair des différentes pièces et accessoires adaptés. En recherchant ainsi vos pièces, vous aurez toujours des pièces adaptées à votre Honda MT50.


