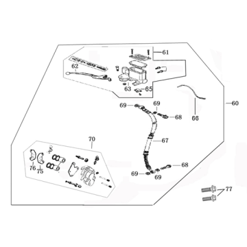
Dessins techniques pour Kreidler Flory Classic blanc
Cliquez ici sur les dessins techniques ou en vue éclatée du scooter Kreidler Flory Classic blanc pour lequel vous recherchez des pièces ou des accessoires. Les dessins techniques du Kreidler Flory Classic white vous donnent un aperçu clair des différentes pièces et accessoires correspondants. En recherchant vos pièces, vous aurez toujours des pièces adaptées à votre Kreidler Flory Classic white.


