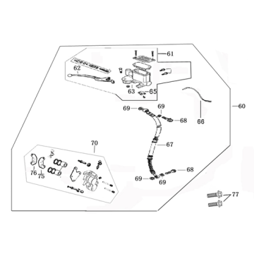
Dessins techniques de Kreidler Flory Classic noir
Cliquez ici sur les dessins techniques ou en vue éclatée du scooter Kreidler Flory Classic noir pour lequel vous recherchez des pièces ou des accessoires. Les dessins techniques du Kreidler Flory Classic black vous donnent un aperçu clair des différentes pièces et accessoires correspondants. En recherchant vos pièces, vous aurez toujours des pièces adaptées pour votre Kreidler Flory Classic black.


