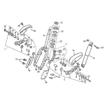
Dessins techniques de Lintex Retro HT50QT-29 orange
Cliquez ici sur les dessins techniques ou en vue éclatée du scooter orange Lintex Retro HT50QT-29 pour lequel vous recherchez des pièces ou des accessoires. Les dessins techniques du Lintex Retro HT50QT-29 orange vous donnent un aperçu clair des différentes pièces de montage et accessoires. En recherchant vos pièces, vous aurez toujours des pièces adaptées pour votre Lintex Retro HT50QT-29 orange


