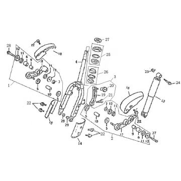
Dessins techniques de Lintex Retro HT50QT-29 rouge
Cliquez ici sur les dessins techniques ou en vue éclatée du scooter Lintex Retro HT50QT-29 rouge pour lequel vous recherchez des pièces ou des accessoires. Les dessins techniques du Lintex Retro HT50QT-29 rouge vous donnent un aperçu clair des différentes pièces et accessoires correspondants. En recherchant vos pièces, vous aurez toujours des pièces adaptées pour votre Lintex Retro HT50QT-29 red.


