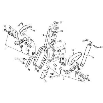
Dessins techniques Vom Bella anthracite
Cliquez ici sur les dessins techniques ou en vue éclatée du scooter anthracite Vom Bella pour lequel vous recherchez des pièces ou des accessoires. Les dessins techniques de l'anthracite Vom Bella vous donnent un aperçu clair des différentes pièces et accessoires correspondants. En recherchant vos pièces, vous aurez toujours des pièces adaptées à votre Vom Bella anthracite.


