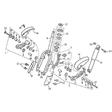
Dessins techniques Vom Bella bleu foncé
Cliquez ici sur les dessins techniques ou en vue éclatée du scooter bleu foncé Vom Bella pour lequel vous recherchez des pièces ou des accessoires. Les dessins techniques du Vom Bella bleu foncé Extra vous donnent un aperçu clair des différentes pièces et accessoires correspondants. En recherchant vos pièces, vous aurez toujours des pièces adaptées pour votre Vom Bella bleu foncé.


