USP Icon
Post-paiement
USP Icon
Les clients évaluent Zandri à 9
USP Icon
Plus de 100 000 pièces dans l'assortiment

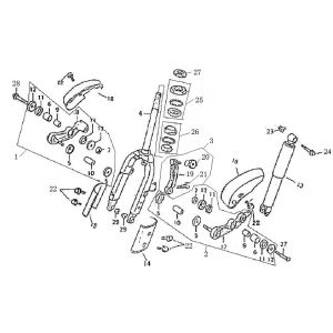
Batterie BTC Grande Retro GT1 orange

Batterie BTC Grande Retro GT1 orange
loader
Chargement...

Pièces détachées BTC Grande Retro GT1 orange