USP Icon
Post-paiement
USP Icon
Les clients évaluent Zandri à 9
USP Icon
Plus de 100 000 pièces dans l'assortiment

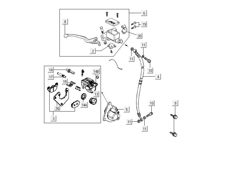
Frein avant Kymco Delivery 4 temps blanc

Frein avant Kymco Delivery 4 temps blanc
loader
Chargement...

Pièces détachées Kymco Agility Delivery 4 temps blanc