Dessins techniques AGM Retro pour 2013 bleu blanc
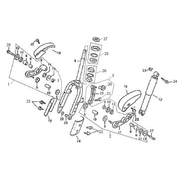
Cliquez ici sur les dessins techniques ou en vue éclatée du scooter bleu blanc AGM Retro 2013 pour lequel vous recherchez des pièces ou des accessoires. Les dessins techniques de l'AGM Retro-50 vous donnent un aperçu clair des différentes pièces de montage et accessoires. En recherchant vos pièces, vous aurez toujours des pièces adaptées pour votre AGM Retro 2013 bleu blanc.


