Dessins techniques AGM Retro pour la crème à café 2013
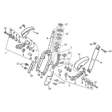
Cliquez ici sur les dessins techniques ou en vue éclatée de la crème à café AGM Retro pour 2013 pour laquelle vous recherchez des pièces ou des accessoires. Les dessins techniques de l'AGM Retro-50 vous donnent un aperçu clair des différentes pièces de montage et accessoires. En recherchant vos pièces, vous aurez toujours des pièces adaptées à votre crème à café AGM Retro pour 2013.


