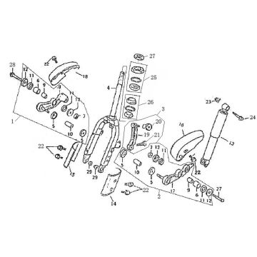
Dessins techniques AGM Retro pour 2013 jaune crème
Cliquez ici sur les dessins techniques ou en vue éclatée de la crème jaune AGM Retro pour 2013 pour laquelle vous recherchez des pièces ou des accessoires. Les dessins techniques de l'AGM Retro-50 vous donnent un aperçu clair des différentes pièces de montage et accessoires. En recherchant vos pièces, vous aurez toujours des pièces adaptées pour votre AGM Retro pour 2013 jaune crème.


