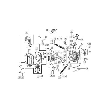
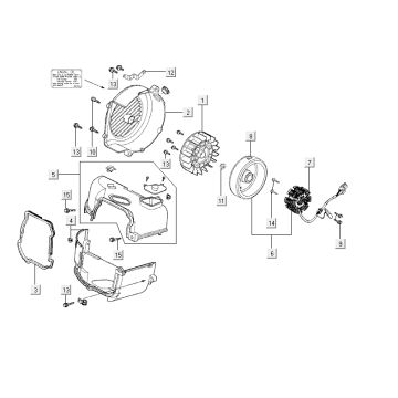
Dessins techniques pour Kymco Agility FR 12' 4 temps Euro4 (selle longue) bleu
Cliquez ici sur les dessins techniques ou en vue éclatée du Kymco Agility FR 12' 4 temps Euro4 bleu pour lequel vous recherchez des pièces ou des accessoires. Les dessins techniques du Kymco Agility FR 12' 4 temps Euro4 bleu vous donnent un aperçu clair des différentes pièces de montage et accessoires. En recherchant vos pièces, vous aurez toujours des pièces adaptées à votre Kymco Agility FR 12' 4 temps Euro4 bleu.


