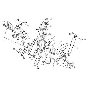
Dessins techniques de la crème bleue Rover Exclusive
Cliquez ici sur les dessins techniques ou sur la vue éclatée du scooter bleu crème Rover Exclusive pour lequel vous recherchez des pièces ou des accessoires. Les dessins techniques de la crème bleue Rover Exclusive vous donnent un aperçu clair des différentes pièces et accessoires correspondants. En recherchant vos pièces, vous aurez toujours des pièces adaptées à votre Rover Exclusive blue cream.


