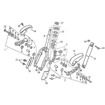
Dessins techniques pour Rover Exclusive blanc noir
Cliquez ici sur les dessins techniques ou en vue éclatée du scooter noir blanc Rover Exclusive pour lequel vous recherchez des pièces ou des accessoires. Les dessins techniques du Rover Exclusive blanc noir vous donnent un aperçu clair des différentes pièces et accessoires correspondants. En recherchant vos pièces, vous aurez toujours des pièces adaptées pour votre Rover Exclusive blanc noir.


