Dessins techniques pour Rover Exclusive white
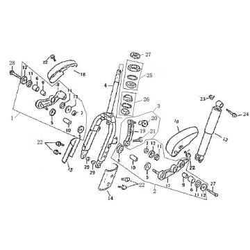
Cliquez ici sur les dessins techniques ou sur la vue éclatée du scooter blanc Rover Exclusive pour lequel vous recherchez des pièces ou des accessoires. Les dessins techniques du Rover Exclusive white vous donnent un aperçu clair des différentes pièces et accessoires correspondants. En recherchant vos pièces, vous aurez toujours des pièces adaptées pour votre Rover Exclusive white.


